常用电工元器件表面组装技术对贴片式电子元器件的要求
更新时间:2024-10-22 00:00:00
声明:该内容来源于表面组装与贴片式元器件技术,由芯引力整理,如有侵权请联系管理人员。
众所周知,如果像图 1.1那样,将一个电路原理图转换成一个!带引出线的普通电子元器件,通过传统立体组装方式制作而成的电路或者整机,无论是对于承载电路的基板,还是对于电路中的电子元器件而言,它们的形状如何、尺寸大小以及互连线之间是否发生立体交叉等现象,都可以有比较大的选择余地。
图1.1 根据电路原理图将普通电子元器件通过立体组装制成电路或整机
①尺寸标准。贴片式电子元器件的尺寸精度应当与表面组装技术和表面组装结构的尺寸精度相匹配,以便能够互换。
②)形状标准,便于定位,适合自动化组装。
③电学性能符合标准化要求,重复性和稳定性好。
④机械强度满足组装技术的工艺要求和组装结构的性能要求,
⑤贴片式电子元器件中材料的耐热性能应当能够经受住焊接工艺的温度冲击。
⑥表层化学性能能够承受住有机溶剂的洗涤。
⑦外部结构适合编带包装,型号或参数便于辨认。
8外引出端的位置和材料性质有利于自动化焊接工艺。
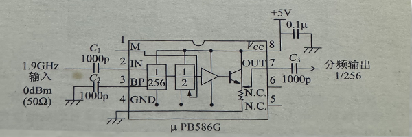
图 1.2预定标器电路原理图
图1.3 利用贴片式电子元器件及表面组装技术制作的图1.2的电路
图1.4 针对图1.3所示电路的高频性能不够理想的改进图
(直线所指是一个为改善实际电路的高频性能而在原有的电路原理图的基础上增加的与 0.1pF 的电容器并联的 1000pF 的贴片式电容器)











